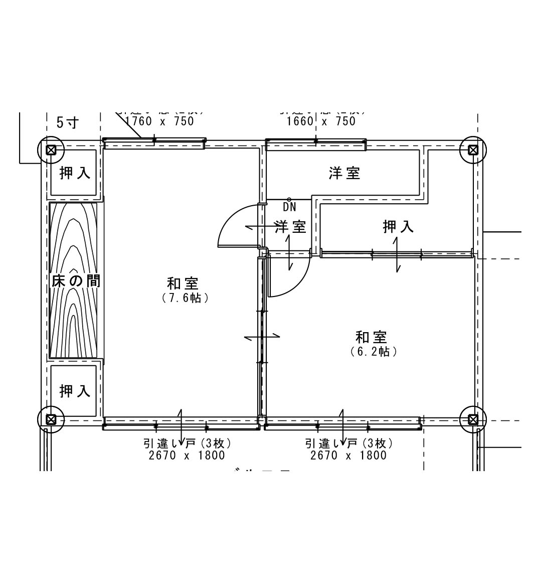
HOME施工事例リノベプロデュースハウス atatakaリノベーションモデルハウス「atataka+」 リノベーションモデルハウス「atataka+」 実際に中古住宅を購入しリノベーションを行いました 築35年の空き家リノベーション 施工事例データ住所:愛知県西尾市施工箇所:全面住宅形態:戸建て面積:87.22(26.4坪)工期:約100日 築年数:35年純和風の建物を洋風の高断熱・高気密住宅にリノベーションしました 施工前 屋外写真 施工前 屋内写真 施工前 1階図面 施工前 2階図面 施工後 LDK写真 全館空調なので冬はどこにいても暖かく、夏は涼しい。そんな快適なモデルハウスになりました。高気密・高断熱仕様でQ値:0.85C値:0.7UA値:0.31と北海道でも通用する値を目指しました 床は無垢材を使用し暖かみのある空間作りに心掛けました 外壁は約30年メンテナンス不要のガルバリウム銅板を採用。子育て世代が家にかけるメンテナンス費を軽減させ学費優先できる仕組み作りを考えました。玄関ドアはキーレスで両手がふさがっていても安心です。宅配ボックスやウッドデッキが完備されています。 施工後 外観写真 施工後 浴室写真 浴室は「TOTOサザナ」を採用頭・首にフィットするヘッドレストが特徴の「ゆるりら浴槽」で 自然とリラックスできる形状になっています。入浴体験や宿泊体験などで実際にご利用いただけます。 (要予約・無料) 施工後 1階図面 施工後 2階図面 モデルハウスの見どころポイント 全館空調14畳用のエアコン一台でどの部屋にいても冬暖かく、夏涼しい快適な家です。 高断熱・高気密快適だけがメリットじゃない!ケタ外れの高断熱・高気密住宅に実際使用した断熱材や家の性能を目で見て、感じて頂けます。 リノベーション新築ではなくリノベーションだという事。築35年の和風住宅がこんな風になるなんて!と実際驚かれると思います。見た目や性能は新築同様なのにリノベーションならコストで差がつく! 家事ラクな工夫洗濯物が早く乾く、少ない収納で多くの物を収納するなど、奥様の家事がラクになるような工夫がされています。 細かい配慮朝の支度がしやすいハリウッドミラー付き洗面化粧台や玄関キーレス、どこでもドアホン、除菌水付きキッチン、無垢の床材など嬉しい配慮が沢山です。マイホームの参考にしてみてください。 費用を抑える工夫イニシャルコスト・ランニングコストをしっかり考えて作られた家だという事。将来を見据え、長く快適に尚且つなるべくコストをかけずに住み続けられる工夫がしてあります。 施工前から施行中 施工後のモデルハウス 宿泊体験についてはこちら モデルハウス見学会予約はこちら リノベプロデュースハウス atataka事例一覧はこちら 施工事例一覧はこちら ゆい・リビングについて 選ばれる10の理由 会社満足のために 会社案内 感動力の充実 社員満足のために 社員紹介 リクルート情報 協力業者満足のために 協力業者「結の会」とは 顧客満足度向上プロジェクト 顧客満足のために お客様の声 一覧 お客様紹介~お客様の声~ コンセプト atataka あたたかプラス あたたかスペース あたたかハーフ 古民家 古民家スペース 古民家ハーフ 古民家プラス ZUTTO ZUTTOプラス ZUTTOスペース ZUTTOハーフ きらり きらりプラス きらりスペース きらりペイント 店舗リフォーム 施工事例 施工事例一覧 ALL 性能向上リノベ住宅 ZUTTO リノベプロデュースハウス atataka 古民家再生リノベ 鉄骨造リノベ お化粧リフォーム き・ら・り 店舗リフォーム エクステリア コンテスト受賞リノベ オリジナル イベント・チラシ・メディア情報 情報一覧 モデルハウス イベント チラシ メディア ゆい・リビングコラム ゆい・リビングの現場日記 スタッフブログ 代表者コラム 代表者コラム一覧 その他 その他 代表者コラム お家のこと リフォーム事例 大切な金の話 お役立ち情報 リノベーションの流れ 20のチェックポイント お問い合わせ お問い合わせ © 2019 株式会社ゆい・リビング